石材、ガラス、セラミック、タイル、レンガ、コンクリート・・・加工するダイヤモンド工具を作っています。1個から、特殊品など得意です。
アオヤマ技研工業株式会社

岐阜県中津川市加子母4439

TEL: 0573-79-3583

FAX: 0573-67-9961

IM2 軸付メタルポリッシャーSS
IM3 軸付メタルポリッシャーS
IM4 軸付メタルポリッシャーW
IM5 軸付メタルポリッシャーR
再生

特徴

  • 細部の加工、底摺りに使用します。

  • 再生(チップの付替え)します。

サイズ

要素 チップ幅 チップ数 取付
タイプ SS S W R SS S W R
外径 15 - - - 4.5 - - -    
20 - - - 6 - - -    
25 4 - 7.5 7.5 4 -   4  
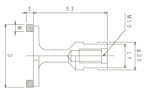
30 4 - 9 10 5 - 4/2   φ6軸
35 4 8 10.5   5 5     M10
40 5 8 12   6 5 6/3    
45 5 8 13.5 15 6 6   6  
50 5 8 15   7 6      

 


 
IM2 軸付メタルポリシャーSS IM3 軸付メタルポリシャーS
   
IM4 軸付メタルポリシャーW IM5 軸付メタルポリシャーR